三菱Q系列運動控制器Q172DS /Q173DSCPU
三菱Q系列運動控制器Q172DS /Q173DSCPU
時間:2024-03-15 07:03:54 來源:未知 作者:admin 點擊:1521次
三菱Q系列運動控制器Q172DSCPU/Q173DSCPU
【Q172DSCPU/Q173DSCPU運動控制CPU模塊功能】
1、運動CPU模塊可進行以下伺服放大器控制。
Q173DSCPU :2系統32軸(1系統最大16軸)
Q172DSCPU :1系統16軸
2、可設置與運動運算周期同步,以固定周期(最小0.22ms)執行的程序。
3、通過SSCNETⅢ線連接運動CPU模塊與伺服放大器,可進行向伺服放大器下載伺服參數,控制伺服放大器伺服開啟/關閉,發出位置指令等。
4、通過向運動CPU模塊安裝不同用途的本體OS軟件,可選擇伺服控制功能/編程語言。
5、通過運動CPU模塊管理運動模塊(Q172DLX/Q172DEX/Q173DPX),可將連接在運動模塊的行程限制信號、同步編碼器等的信號用于運動控制。
6、可通過運動CPU模塊管理PLC輸入輸出模塊。
7、可在多CPU系統中,通過多CPU間高速通信存儲與自動刷新等進行CPU的數據交換。
8、經由伺服放大器輸入外部信號(上/下限行程限制,近點狗),可減少配線作業量。
【Q172DSCPU/Q173DSCPU運動系統的限制事項】
1、不可單獨使用運動CPU模塊。
1號機必須為通用型QCPU模塊。 請在多CPU設置中將通用QCPU模塊設置為“使用多CPU間高速通信功能”。
2、基板模塊只能使用多CPU間高速基板模塊(Q35DB/Q38DB/Q312DB)。
3、運動CPU模塊Q173DSCPU/Q172DSCPU可組合使用。
4、通用型QCPU模塊/運動CPU模塊從基板模塊的CPU插槽(電源模塊右邊的插槽)按順序裝入,
到I/O插槽2最大可安裝4個。CPU模塊左起稱為1號機~4號機。
2~4號機的CPU模塊安裝順序無限制。
除1號機以外的CPU,可自由組合CPU空插槽。CPU空插槽在CPU模塊與CPU模塊間也可以設置。
但是,與高性能型QCPU模塊、過程CPU模塊、PC CPU模塊、C語言控制器模塊組合時的安裝條件因各CPU模塊的規格不同而不同。
5、運動CPU的啟動(直到可控制的狀態)需花費10秒鐘左右。請配合系統進行多CPU間同步啟動設置。
6、進行運動CPU模塊與通用型QCPU模塊的自動刷新時,請使用多CPU間高速通信領域設置的自動刷新。
多CPU的組合中存在高性能型QCPU模塊、過程CPU模塊、PC CPU模塊、C語言控制器模塊時,無法進行與這些CPU的自動刷新。
7、請對運動CPU模塊使用以“D(P). ”開始的運動專用順序指令。不支持以“S(P).”開始的運動專用順序指令。
多CPU的組合中存在高性能型QCPU模塊、過程CPU模塊、PC CPU模塊、
C語言控制器模塊時,無法執行來自這些CPU的運動專用順序指令。
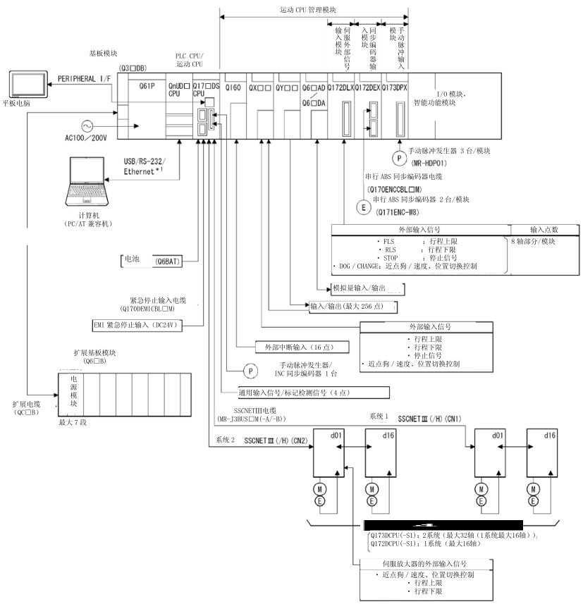
【Q173/172DSCPU系統整體構成】

【Q173DSCPU/Q172DSCPU的規格參數】
1、模塊規格
[消耗電流(DC5V)] Q173DSCPU 1.75A,Q172DSCPU 1.44A
不含連接于內置I/F接口的手動脈沖發生器/INC同步編碼器的消耗電流以(0.2A)。
[外形尺寸H*W*D] 120.5*27.4*120mm
[重量] 0.38kg
2、運動控制規格
[控制軸數] Q173DSCPU 最大32軸, Q172DSCPU 最大16軸
[運算周期(默認時間)]
. SV13
Q173DSCPU:0.22ms/1~4軸、0.44ms/5~10軸、0.88ms/11~24軸、1.77ms/25~32軸
Q172DSCPU:0.22ms/1~4軸、0.44ms/5~10軸、0.88ms/11~16軸
. SV22
Q173DSCPU:0.44ms/1~6軸、0.88ms/7~16軸、1.77ms/17~32軸
Q172DSCPU:0.44ms/1~6軸、0.88ms/7~16軸
[插補功能] 直線插補(最大4軸),圓弧插補(2軸),螺旋插補(3軸)
[控制方式] PTP(Point To Point) 控制,速度控制,速度位置控制,定長進給,
勻速控制,位置跟隨控制,定位停止速度控制,速度切換控制,
高速振蕩器控制,速度/轉矩控制,同步控制(SV22)
[加減速處理] 梯形加減速,S字加減速,高級S字加減速
[修正功能] 齒隙修正,電子齒輪,相位修正(SV22)
[程序語言] 運動SFC,專用指令,機械結構編程語言(SV22)
[伺服程序大小] 16k 步
[定位點數] 3200點(可間接指定)
[周邊設備I/F] USB/RS-232/Ethernet (經由PLC CPU),PERIPHERAL I/F (運動CPU管理)
[原點復位功能] 近點狗方式(2種),計數方式(3種),數據設定方式(2種),擋塊支架方式,制動器停止方
式(2種),限位開關兼用方式,數值范圍原點信號檢出方式,具有原點復位重試功能,原點切換功能
[JOG運行功能] 有
[手動脈沖發生器運行功能] 可連接3臺(使用Q173DPX時),可連接1臺(使用運動CPU內置I/F時)
[同步編碼器運行功能] 可連接12臺(使用SV22時)(Q172DEX+Q173DPX +運動CPU內置I/F)
[M代碼功能] 具有M代碼輸出功能,M代碼結束等待功能
[限位開關輸出功能] 輸出點數32點,時鐘數據:運動控制數據/字軟元件
[ROM運行功能] 有
[外部輸入信號] Q172DLX,伺服放大器外部輸入信號(FLS/RLS/DOG),運動CPU內置I/F(DI) ,位軟元件
[高速讀取功能] 有 (經由運動CPU內置I/F,經由輸入模塊,經由Q172DEX/Q173DPX 的追蹤)
[緊急停止] 運動控制器緊急停止(EMI端子,系統設置),伺服放大器的強制停止端子
[輸入輸出點數] 合計256點(運動CPU內置I/F(輸入點數4點)+ I/O 模塊)
[標記檢測功能]
. 標記檢測模式設置:始終檢測模式,指定次數模式,環緩沖模式
. 標記檢測信號:運動CPU內置I/F(4點),位軟元件,Q172DLX的DOG/CHANGE信號
. 標記檢測設置:32設置
[時鐘功能] 有
[安全功能] 有(通過密碼、軟件安全密鑰保護)
[遠程操作] 遠程RUN/STOP,遠程鎖存器清除
[數字示波器功能] 運動緩沖方式(可實時顯示波形),采樣數據:字16CH,位16CH
[絕對位置系統] 可支持向伺服放大器安裝電池(可對各軸指定絕對方式/增量方式)
[SSCNET通信] SSCNETⅢ/H、SSCNETⅢ。Q173DSCPU 可為2系統,Q172DSCPU 只為1系統。
[運動相關模塊安裝數]
. Q172DLX: 4臺(Q173DSCPU 4臺,Q173DSCPU 2臺)
. Q172DEX:可使用6臺
. Q173DPX:可使用4臺
3、運動SFC性能規格
[運動SFC程序大小]
. 代碼合計(SFC圖+運算控制+轉移):652k字節
. 文本合計(運算控制+轉移):668k字節
[運動SFC程序]
. SFC程序數:256(No.0~255)
. SFC圖大小/1程序:最大64k字節(含SFC圖注釋)
. SFC步數/1程序:最大4094步
. 選擇分支數/1分支: 255
. 并列分支數/1分支: 255
. 并列分支的嵌套:最大4重
[運算控制程序(F/FS)?轉移程序(G)]
. 運算控制程序數:F(執行1次型)/FS (掃描執行型)總共4096(F/FS0~F/FS4095)
. 轉移程序數:4096(G0~G4095)
. 代碼大小/1程序:最大約 64k 字節(32766步)
. 塊(行)數/1程序:最大8192塊(4 步(最小)/1塊的情況)
. 字符數/1塊(行):最大半角 128字符(含注釋)
. 被運算符數/1塊:最大64個(被運算符:常數、字軟元件、位軟元件)
. ( ) 的嵌套/1塊: 最大32重
. 運算控制程序表達式:計數式、位條件式、分支/重復處理
. 轉移程序表達式:計數式、位條件式、比較條件式
[執行規格]
. 同時執行程序數:最大256條
. 同時激活步數:最大256步/全程序
. 普通任務:按照運動CPU的主周期執行
. 事件任務( 可 遮掩)
固定周期:按固定周期(0.22ms\0.44ms\ 0.88ms\1.77ms\3.55ms\7.11ms\14.2ms)執行
外部中斷:中斷模塊QI60的輸入16點中,設置的輸入置ON時執行
PLC中斷:通過來自PLC的中斷指令(D(P).GINT)執行
. NMI任務:中斷模塊QI60的輸入16點中,設置的輸入置ON時執行
[輸入輸出點數(X/Y)] 8192 點
Q172DSCPU/Q173DSCPU支持SSCNETⅢ/H。Q172DSCPU用戶手冊,Q173DSCPU參數

Q172DSCPU參數說明:最大16軸,直線插補(最大4軸),圓弧插補(2軸),螺旋插補(3軸),定位點數3200,SSCNETⅢ/H連接(1系統).
Q173DSCPU參數說明:最大32軸(1系統最大16軸*2),直線插補(最大4軸),圓弧插補(2軸),螺旋插補(3軸),定位點數3200,SSCNETⅢ/H連接(2系統)
【Q172DSCPU/Q173DSCPU運動控制CPU模塊功能】
1、運動CPU模塊可進行以下伺服放大器控制。
Q173DSCPU :2系統32軸(1系統最大16軸)
Q172DSCPU :1系統16軸
2、可設置與運動運算周期同步,以固定周期(最小0.22ms)執行的程序。
3、通過SSCNETⅢ線連接運動CPU模塊與伺服放大器,可進行向伺服放大器下載伺服參數,控制伺服放大器伺服開啟/關閉,發出位置指令等。
4、通過向運動CPU模塊安裝不同用途的本體OS軟件,可選擇伺服控制功能/編程語言。
5、通過運動CPU模塊管理運動模塊(Q172DLX/Q172DEX/Q173DPX),可將連接在運動模塊的行程限制信號、同步編碼器等的信號用于運動控制。
6、可通過運動CPU模塊管理PLC輸入輸出模塊。
7、可在多CPU系統中,通過多CPU間高速通信存儲與自動刷新等進行CPU的數據交換。
8、經由伺服放大器輸入外部信號(上/下限行程限制,近點狗),可減少配線作業量。
【Q172DSCPU/Q173DSCPU運動系統的限制事項】
1、不可單獨使用運動CPU模塊。
1號機必須為通用型QCPU模塊。 請在多CPU設置中將通用QCPU模塊設置為“使用多CPU間高速通信功能”。
2、基板模塊只能使用多CPU間高速基板模塊(Q35DB/Q38DB/Q312DB)。
3、運動CPU模塊Q173DSCPU/Q172DSCPU可組合使用。
4、通用型QCPU模塊/運動CPU模塊從基板模塊的CPU插槽(電源模塊右邊的插槽)按順序裝入,
到I/O插槽2最大可安裝4個。CPU模塊左起稱為1號機~4號機。
2~4號機的CPU模塊安裝順序無限制。
除1號機以外的CPU,可自由組合CPU空插槽。CPU空插槽在CPU模塊與CPU模塊間也可以設置。
但是,與高性能型QCPU模塊、過程CPU模塊、PC CPU模塊、C語言控制器模塊組合時的安裝條件因各CPU模塊的規格不同而不同。
5、運動CPU的啟動(直到可控制的狀態)需花費10秒鐘左右。請配合系統進行多CPU間同步啟動設置。
6、進行運動CPU模塊與通用型QCPU模塊的自動刷新時,請使用多CPU間高速通信領域設置的自動刷新。
多CPU的組合中存在高性能型QCPU模塊、過程CPU模塊、PC CPU模塊、C語言控制器模塊時,無法進行與這些CPU的自動刷新。
7、請對運動CPU模塊使用以“D(P). ”開始的運動專用順序指令。不支持以“S(P).”開始的運動專用順序指令。
多CPU的組合中存在高性能型QCPU模塊、過程CPU模塊、PC CPU模塊、
C語言控制器模塊時,無法執行來自這些CPU的運動專用順序指令。
【Q173/172DSCPU系統整體構成】

【Q173DSCPU/Q172DSCPU的規格參數】
1、模塊規格
[消耗電流(DC5V)] Q173DSCPU 1.75A,Q172DSCPU 1.44A
不含連接于內置I/F接口的手動脈沖發生器/INC同步編碼器的消耗電流以(0.2A)。
[外形尺寸H*W*D] 120.5*27.4*120mm
[重量] 0.38kg
2、運動控制規格
[控制軸數] Q173DSCPU 最大32軸, Q172DSCPU 最大16軸
[運算周期(默認時間)]
. SV13
Q173DSCPU:0.22ms/1~4軸、0.44ms/5~10軸、0.88ms/11~24軸、1.77ms/25~32軸
Q172DSCPU:0.22ms/1~4軸、0.44ms/5~10軸、0.88ms/11~16軸
. SV22
Q173DSCPU:0.44ms/1~6軸、0.88ms/7~16軸、1.77ms/17~32軸
Q172DSCPU:0.44ms/1~6軸、0.88ms/7~16軸
[插補功能] 直線插補(最大4軸),圓弧插補(2軸),螺旋插補(3軸)
[控制方式] PTP(Point To Point) 控制,速度控制,速度位置控制,定長進給,
勻速控制,位置跟隨控制,定位停止速度控制,速度切換控制,
高速振蕩器控制,速度/轉矩控制,同步控制(SV22)
[加減速處理] 梯形加減速,S字加減速,高級S字加減速
[修正功能] 齒隙修正,電子齒輪,相位修正(SV22)
[程序語言] 運動SFC,專用指令,機械結構編程語言(SV22)
[伺服程序大小] 16k 步
[定位點數] 3200點(可間接指定)
[周邊設備I/F] USB/RS-232/Ethernet (經由PLC CPU),PERIPHERAL I/F (運動CPU管理)
[原點復位功能] 近點狗方式(2種),計數方式(3種),數據設定方式(2種),擋塊支架方式,制動器停止方
式(2種),限位開關兼用方式,數值范圍原點信號檢出方式,具有原點復位重試功能,原點切換功能
[JOG運行功能] 有
[手動脈沖發生器運行功能] 可連接3臺(使用Q173DPX時),可連接1臺(使用運動CPU內置I/F時)
[同步編碼器運行功能] 可連接12臺(使用SV22時)(Q172DEX+Q173DPX +運動CPU內置I/F)
[M代碼功能] 具有M代碼輸出功能,M代碼結束等待功能
[限位開關輸出功能] 輸出點數32點,時鐘數據:運動控制數據/字軟元件
[ROM運行功能] 有
[外部輸入信號] Q172DLX,伺服放大器外部輸入信號(FLS/RLS/DOG),運動CPU內置I/F(DI) ,位軟元件
[高速讀取功能] 有 (經由運動CPU內置I/F,經由輸入模塊,經由Q172DEX/Q173DPX 的追蹤)
[緊急停止] 運動控制器緊急停止(EMI端子,系統設置),伺服放大器的強制停止端子
[輸入輸出點數] 合計256點(運動CPU內置I/F(輸入點數4點)+ I/O 模塊)
[標記檢測功能]
. 標記檢測模式設置:始終檢測模式,指定次數模式,環緩沖模式
. 標記檢測信號:運動CPU內置I/F(4點),位軟元件,Q172DLX的DOG/CHANGE信號
. 標記檢測設置:32設置
[時鐘功能] 有
[安全功能] 有(通過密碼、軟件安全密鑰保護)
[遠程操作] 遠程RUN/STOP,遠程鎖存器清除
[數字示波器功能] 運動緩沖方式(可實時顯示波形),采樣數據:字16CH,位16CH
[絕對位置系統] 可支持向伺服放大器安裝電池(可對各軸指定絕對方式/增量方式)
[SSCNET通信] SSCNETⅢ/H、SSCNETⅢ。Q173DSCPU 可為2系統,Q172DSCPU 只為1系統。
[運動相關模塊安裝數]
. Q172DLX: 4臺(Q173DSCPU 4臺,Q173DSCPU 2臺)
. Q172DEX:可使用6臺
. Q173DPX:可使用4臺
3、運動SFC性能規格
[運動SFC程序大小]
. 代碼合計(SFC圖+運算控制+轉移):652k字節
. 文本合計(運算控制+轉移):668k字節
[運動SFC程序]
. SFC程序數:256(No.0~255)
. SFC圖大小/1程序:最大64k字節(含SFC圖注釋)
. SFC步數/1程序:最大4094步
. 選擇分支數/1分支: 255
. 并列分支數/1分支: 255
. 并列分支的嵌套:最大4重
[運算控制程序(F/FS)?轉移程序(G)]
. 運算控制程序數:F(執行1次型)/FS (掃描執行型)總共4096(F/FS0~F/FS4095)
. 轉移程序數:4096(G0~G4095)
. 代碼大小/1程序:最大約 64k 字節(32766步)
. 塊(行)數/1程序:最大8192塊(4 步(最小)/1塊的情況)
. 字符數/1塊(行):最大半角 128字符(含注釋)
. 被運算符數/1塊:最大64個(被運算符:常數、字軟元件、位軟元件)
. ( ) 的嵌套/1塊: 最大32重
. 運算控制程序表達式:計數式、位條件式、分支/重復處理
. 轉移程序表達式:計數式、位條件式、比較條件式
[執行規格]
. 同時執行程序數:最大256條
. 同時激活步數:最大256步/全程序
. 普通任務:按照運動CPU的主周期執行
. 事件任務( 可 遮掩)
固定周期:按固定周期(0.22ms\0.44ms\ 0.88ms\1.77ms\3.55ms\7.11ms\14.2ms)執行
外部中斷:中斷模塊QI60的輸入16點中,設置的輸入置ON時執行
PLC中斷:通過來自PLC的中斷指令(D(P).GINT)執行
. NMI任務:中斷模塊QI60的輸入16點中,設置的輸入置ON時執行
[輸入輸出點數(X/Y)] 8192 點
[實際輸入輸出點數(PX/PY)] 256點(運動CPU內置I/F(輸入點數4點)+I/O模塊)
Q172DSCPU用戶手冊,Q173DSCPU參數,Q172DSCPU,Q173DSCPU
專業銷售三菱PLC、三菱伺服、三菱觸摸屏,三菱運動CPU模塊Q172DSCPU,Q173DSCPU價格優惠,100%原裝正品,提供技術支持,歡迎咨詢!
本頁關鍵詞:Q172DSCPU用戶手冊,Q173DSCPU參數,Q172DSCPU,Q173DSCPU